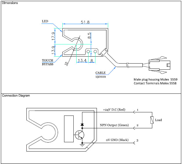
- Opto Electronic Yarn Detectors (OYM01)
- Opto Electronic Yarn Detectors (OYM02)
- Opto Electronic Yarn Detectors (OYM03)
- Opto Electronic Yarn Detectors (OYM04)
- Opto Electronic Yarn Detectors (OYM05)
- Opto Electronic Yarn Detectors (OYM06)
- Opto Electronic Yarn Detectors (OYM07)
- Opto Electronic Yarn Detectors (OYM08)
- Opto Electronic Yarn Detectors (OYM11)
- Opto Electronic Yarn Detectors (OYM12)

Opto Electronic Yarn Detectors (OYM11)
OYM range is used particularly on spinning machines for monitoring all standard yarns used especially where non-contact yarn detection is desired and additional force cannot be exerted on the yarn. The detectors are completely potted with epoxy resin making them vibration proof and resistant to both normal and anti-static spin finish.
Data
Type Of Work | |
---|---|
Supply Voltage(Vs) : | 24VDC+15% |
Output Current(Io) : | 0.9 Amp Max (momentary) sink 0.2 Amps max (continous) output short ckt. protected |
Cutter Activate Delay(Td) : | 20 msec |
Rearming Time(Tr) : | 3 seconds |
Sensor Current(Is) : | 25 mA(typ) |
Minimun Yarn Speed : | 100 mts/min (may vary) |
Application
Suitable for SSM / FADIS / AIKI Assembly Winders

Specifications subject to change without notice