- Opto Electronic Yarn Detectors (OYM01)
- Opto Electronic Yarn Detectors (OYM02)
- Opto Electronic Yarn Detectors (OYM03)
- Opto Electronic Yarn Detectors (OYM04)
- Opto Electronic Yarn Detectors (OYM05)
- Opto Electronic Yarn Detectors (OYM06)
- Opto Electronic Yarn Detectors (OYM07)
- Opto Electronic Yarn Detectors (OYM08)
- Opto Electronic Yarn Detectors (OYM11)
- Opto Electronic Yarn Detectors (OYM12)

Opto Electronic Yarn Detectors (OYM04)
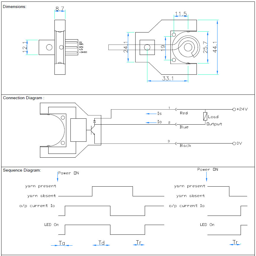
OYM range is used particularly on spinning machines for monitoring all standard yarns used especially where non-contact yarn detection is desired and additional force cannot be exerted on the yarn. The detectors are completely potted with epoxy resin making them vibration proof and resistant to both normal and anti-static spin finish.
Data
Type Of Work | |
---|---|
Supply Voltage(Vs) : | 24VDC+15% |
Supply Current Is : | 30 mA. : i sec. |
Power ON Delay Ta : | 1.0 seconds |
Sensing Delay Td : | 0.5 seconds |
Reaction Time Tr : | 0.5 seconds |
Output Current Io : | 0.4 Amp |
Application
Designed for easy application on wide renge of processes providing detection of balloning yarns.Typical applications include twisting machines(TFO). Suitable for all standard yarns in any colour including black.

Specifications subject to change without notice