- Opto Electronic Yarn Detectors (OYM01)
- Opto Electronic Yarn Detectors (OYM02)
- Opto Electronic Yarn Detectors (OYM03)
- Opto Electronic Yarn Detectors (OYM04)
- Opto Electronic Yarn Detectors (OYM05)
- Opto Electronic Yarn Detectors (OYM06)
- Opto Electronic Yarn Detectors (OYM07)
- Opto Electronic Yarn Detectors (OYM08)
- Opto Electronic Yarn Detectors (OYM11)
- Opto Electronic Yarn Detectors (OYM12)

Opto Electronic Yarn Detectors (OYM05)
OYM range is used particularly on spinning machines for monitoring all standard yarns used especially where non-contact yarn detection is desired and additional force cannot be exerted on the yarn. The detectors are completely potted with epoxy resin making them vibration proof and resistant to both normal and anti-static spin finish.
Data
Type Of Work | |
---|---|
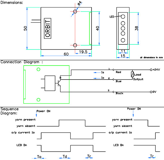
Supply Voltage(Vs) : | 24VDC+15% |
Supply Current Is : | 30 mA. |
Power ON Delay Ta : | 1.0 seconds |
Sensing Delay Td : | 0.5 seconds |
Reaction Time Tr : | 0.5 seconds |
Output Current Io : | 0.4 Amp |
Application
Optical Yarn Detectors are suitable to wide range of natural or synthetic yarns. It detects break in yarns from 50 dtex to carpet yarns. Direct replacement for Tejin / TMT / Beijing Chong Lee Craft Winder

Specifications subject to change without notice