
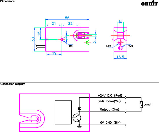
Yarn Break Detectors (YM04)
YM range is used in high speed textile machines for monitoring all standard yarns. If the yarn is missing or stationary, the system switches the operating voltage to the connected load preferably comprising of yarn cutter. Yarn Break Detectors are housed in die cast enclosures and available with NPN (negative) or PNP (positive) open collector outputs.
Data
Type Of Work | |
---|---|
Supply Voltage(Vs) : | 24VDC+15% |
Output Current(Io) : | 1.2 Amp max (pulse) sink 0.35 Amps max (continous)output short ckt. protected |
Cutter activate delay(Td) : | 0.5 seconds |
Rearming time (Tr) : | 6 second |
Sensor current (Is) : | 20 mA (typ) |
Minimum yarn speed : | 200 mts/min |
Application
Suitable for AIKI / SSM / FADIS Airtex, DTY, Winders etc.

Specifications subject to change without notice